Image 1 of 6
Image 2 of 6
Image 3 of 6
Image 4 of 6
Image 5 of 6
Image 6 of 6
PixelR Image Analysis Grain Size Module
PixelR Image Analysis Grain Size Module is a modular Image analysis system offers may important applications in the field of Material Science, Engineering and Bio Science. You can select the modules you need for your application and can customize the system for your day to day work flow. Pixelr Vision is designed to produce reliable results with minimal operator intervention. Also to produce repeatable results across operators and geo locations. It stand as a preferred solution for Industries in Global market having operations across the globe.
Most Popular modules Grain Size Analysis, Inclusion Rating Analysis, Weld Measurement, Area / Volume Fraction analysis, Porosity Analysis and many more. Pixler can offer any Customized Application module based on the customer specific requirement. You can expect an automatic solution for your application from Pixelr Vision.
Start with a single application in manual mode and upgrade Pixelr Vision to multi-application solution in semi auto or completely automatic motorized solution.
PixelR Image Analysis Grain Size Module is a modular Image analysis system offers may important applications in the field of Material Science, Engineering and Bio Science. You can select the modules you need for your application and can customize the system for your day to day work flow. Pixelr Vision is designed to produce reliable results with minimal operator intervention. Also to produce repeatable results across operators and geo locations. It stand as a preferred solution for Industries in Global market having operations across the globe.
Most Popular modules Grain Size Analysis, Inclusion Rating Analysis, Weld Measurement, Area / Volume Fraction analysis, Porosity Analysis and many more. Pixler can offer any Customized Application module based on the customer specific requirement. You can expect an automatic solution for your application from Pixelr Vision.
Start with a single application in manual mode and upgrade Pixelr Vision to multi-application solution in semi auto or completely automatic motorized solution.
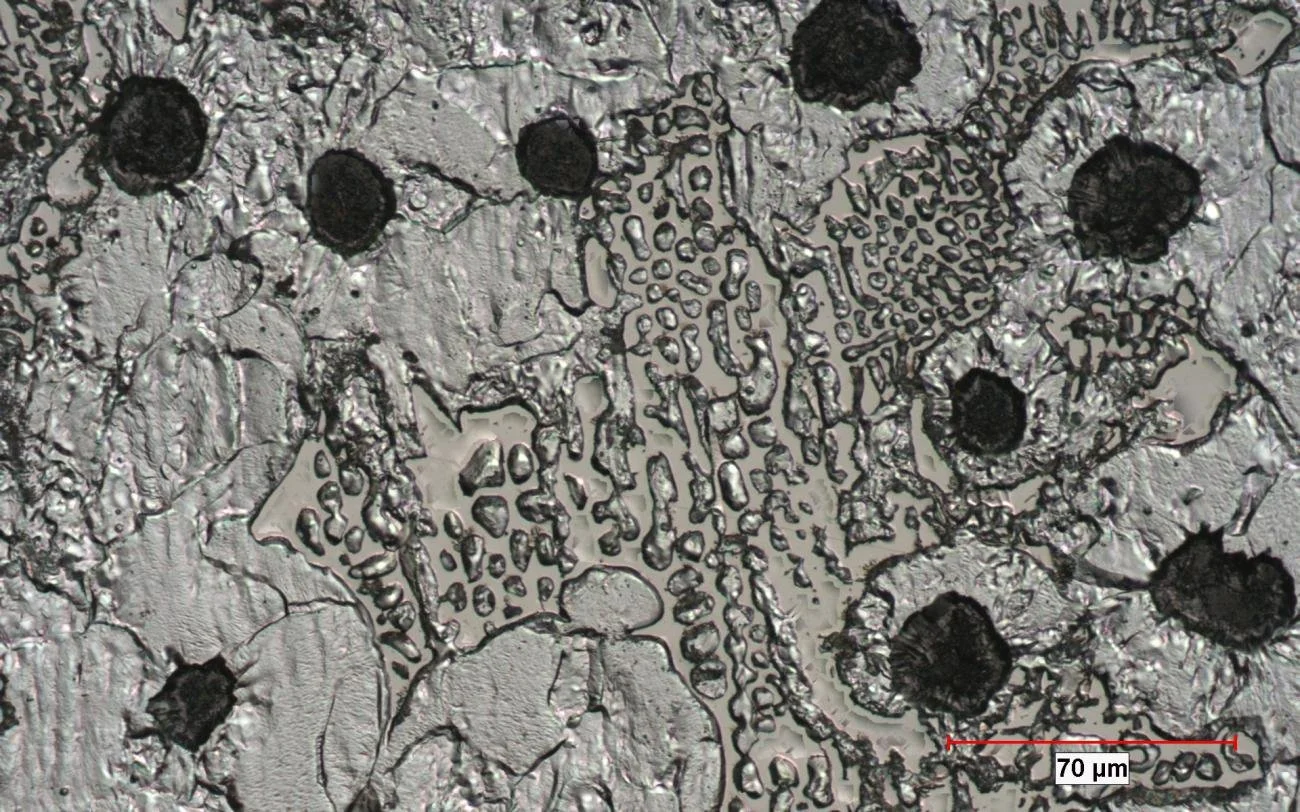
Grain Size Analysis
This application module developed with machine learning methodology to produce accurate results in almost every type of microstructure like Austenite Grains, Martensite Grains, Network Grains, Ferrite, Pearlite Grains etc. The innovative algorithms of Pixelr Vision helps to measure grain size even in most difficult structure like structures having bands dark and bright zones, having mixture of very large and very small grains etc..
You can select the standard and method ( Intercept, Planimetry, Grain Diameter etc ) and perform the measurement. The unique grain boundary reconstruction algorithm helps in easily segmenting the grains and perform measurement to achieve more reliable results This makes Pixelr Vision stand tall against others in the market.
Standard Methods :
ASTM E 112
DIN 50601
ISO 643